
dc插座相信大家一定很熟悉,隨著社會的發展,經濟不斷進步,人們生活水平也在不斷的提高,在現在家庭生活中電腦早已是一件不可缺少的生活用品,使得dc插座的使用也更加的廣泛,由于電腦型號和款式有所不一樣,使得在dc插座使用上也存在一些dc插座型號上的差異,下面讓小編帶大家全面的講解常用的dc插座規格有哪些。
DC插座的常用規格
針外徑2.8MM 內徑0.65MM
針外徑3.8MM 內徑1.0MM
針外徑3.8MM 內徑1.3MM
針外徑4.2MM 內徑1.6MM
針外徑4.3MM 內徑1.3MM
針外徑4.3MM 內徑1.0MM
針外徑4.5MM 內徑1.6MM
針外徑5.6MM 內徑2.5MM
針外徑5.6MM 內徑2.0MM
針外徑6.1MM 內徑2.5MM
針外徑6.1MM 內徑2.0MM
針外徑6.3MM 內徑2.5MM
針外徑6.3MM 內徑1.5MM
針外徑6.5MM 內徑2.5MM
針外徑6.3MM 內徑1.5MM
DC插頭的常用規格
孔外徑2.5MM 內徑0.8MM
孔外徑3.5MM 內徑1.3MM
孔外徑4MM 內徑1.2MM
孔外徑4.8MM 內徑1.7MM
孔外徑5.0MM 內徑1.2MM
孔外徑5.0MM 內徑2.1MM
孔外徑5.0MM 內徑2.5MM
孔外徑5.5MM 內徑2.1MM
孔外徑5.5MM 內徑2.5MM
孔外徑5.5MM 內徑3.0MM
孔外徑5.0MM 內徑1.2MM
孔外徑6.3MM 內徑2.1MM
DC插座常用的規格型號
DC電源插座DC-025M額定值是DC30V 0.5A,插入力度是3到20N,是插件DC電源插座。針芯直徑2.0/2.5mm,DC插座的孔徑尺寸是5.6mm,兩個插腳。有帶螺紋和不帶螺紋兩種。DC-025M主要應用于電視機、影碟機、組合音響、音箱、收錄機、計算機等家用電器電子儀器設備。例如高清電視、電腦、DVC解碼板、電子稱、按摩器、電飯煲、多媒體通訊、空調等。
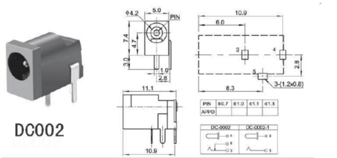
DC電源插座DC-002額定值是DC30V 0.5A,插入力度是3到20N,是插件DC電源插座,針芯直徑有1.0mm和1.3mm,分別有梅花針和圓針,DC插座的孔徑尺寸是4.2mm ,DC-002電源插座主要應用領域:電視機、影碟機、組合音響、音箱、收錄機、計算機等家用電器電子儀器設備。
由于時間關系,小編只能對這兩款常用的dc插座規格講解到這,如需了解更多關于dc插座規格或dc插座原理、應用、分類及安裝時易忽略的問題等訊息,請關注精密龍電子。工廠專業從事dc插座、可調電阻,電位器,開關及連接器的研發和生產,如有產品的需求歡迎致電0755-837611936洽談。

Copyright © 廣東精密龍電子科技有限公司 版權所有 粵ICP備17035144號 粵公網安備44130202001184號
全國服務電話:0755-83205533 傳真:0755-83761155
公司地址:深圳市龍崗區龍崗大道8288號深圳大運軟件小鎮45棟2樓

