


DC插座DC-005產品簡介
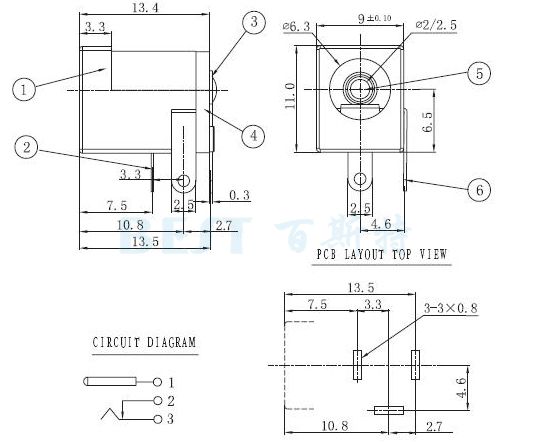
DC電源插座DC-005額定值是DC30V0.5A,插入力度是3到20N,是插件DC電源插座,針芯直徑2.0/2.5,DC插座的孔徑尺寸是6.4mm.3個插腳。壽命5000次,具體參考DC-005的圖紙說明。
DC電源插座DC-005是百斯特電子工廠生產,現備有大量現貨。可聯系銷售進行報價,免費提供測試樣品。
DC插座DC-005技術參數
額定值:DC 30V 0.5A
插入力度:3~20N
接觸電阻:≤0.03Ω
絕緣電阻:≥100MΩ
耐壓力:AC500V(50Hz)/min
壽命:5000次
DC插座DC-005參考圖紙
單位:mm


Copyright © 廣東精密龍電子科技有限公司 版權所有 粵ICP備17035144號 粵公網安備44130202001184號
全國服務電話:0755-83205533 傳真:0755-83761155
公司地址:深圳市龍崗區龍崗大道8288號深圳大運軟件小鎮45棟2樓

